Location palan électrique à chaîne de 3200 kg V avec chariot électrique

Référence : PE3200V/CHV3200V

Charge utile : 3 200 kg

Hauteur de levage : 25 m

Poids : 232 kg

Charge utile

3 200 kg

Hauteur de levage

25 m

Poids

232 kg

Palan électrique à chaîne 3200 kg avec chariot électrique intégré disposant d’une grande hauteur de levage. Ce matériel peut s’installer sur de multiples supports (échafaudage, potence, portique…) en intérieur ou en extérieur de bâtiment. Ce palan à chaîne a été spécialement étudié pour le levage de charges lourdes en toute sécurité. Fourniture et pose de fer sur demande ainsi que l’installation de radiocommande.

Collectivités & Services Techniques
Déménagement
Eau & Assainissement
Éclairage & Alimentation Temporaire
Energies renouvelables (Éolien, Solaire, Hydraulique)
Entretien des espaces verts
Ferroviaire & Travaux sur voies
Festivals, Expositions, Sport
Gaz, Pétrole & Hydrocarbures
Gros œuvre & Second œuvre
Installation thermique, sanitaire
Levage & Manutention
Levage & Tirage
Maintenance industrielle
Montage de Structures Scéniques
Nucléaire & Installations sensibles (centrales, sites traitement déchets)
Ouvrages d’art (ponts, tunnels, barrages)
Réhabilitation & Renforcement de structures
Réseaux électriques (Haute et basse tension, souterrains & aériens)
Revêtement
Terrassement & Génie civil
Traitement des Déchets & Recyclage
Travail en hauteur
Voirie et Réseaux Divers (VRD)

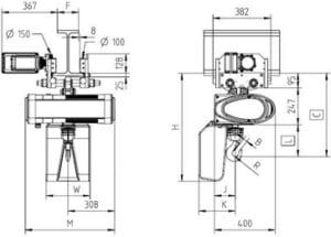
Caractéristiques techniques

Charge utile :
3 200 kg
Alimentation :
400 V tri/50 Hz
Plage de réglage du chariot de direction :
201 - 257 mm
Vitesse de levage :
0,7 ou 4 m/min
Hauteur de levage :
25 m
Poids :
232 kg
Hauteur perdue :
678 mm

Demander un devis

Adresse du chantier

Observations

  • Tous nos palans sont équipés de commande très basse tension, assurant la protection de l’utilisateur contre les risques électriques
  • Le poids d'un mètre de chaîne est de 1,8 kg
  • Moteur de levage, classe F, puissance 2,3 kW
  • Le câble d’alimentation et la télécommande sont équipés de prises débrochables
  • Câble électrique d’1 m équipé d’une prise mâle triphasée à 3 Pôles + Terre (32A)
  • Toiture pluie et étanchéité renforcée pour utilisation extérieure
  • Fourni avec une télécommande basse tension avec arrêt d’urgence à clé. La longueur de la télécommande est inférieure de 0,5 mètre à la hauteur de levage du palan
  • Vérifier avant toute utilisation que le mouvement du crochet correspond au sens des boutons de la télécommande (Noir = descente) (Blanc = montée)
  • Chaîne électrozinguée. Bac à chaîne
  • Limiteur de charge mécanique (limithermes)
  • Fins de course haut et bas
  • Fins de course direction
  • La vitesse de déplacement du chariot de translation électrique est variable : 5 ou 20 m / par minute
  • Facteur de marche 50 % (30 minutes de fonctionnement pour 1 heure de travail).

Schémas

Matériels associés