Location palan électrique à chaîne de 2500 kg V avec chariot électrique

Référence : PE2500/CHV2500 V

Charge utile : 2 500 kg

Hauteur de levage : 25 m

Poids : 236 kg

Charge utile

2 500 kg

Hauteur de levage

25 m

Poids

236 kg

Palan électrique à chaîne 2500 kg avec chariot électrique intégré disposant d’une grande hauteur de levage. Ce matériel peut s’installer sur de multiples supports (échafaudage, potence, portique…) en intérieur ou en extérieur de bâtiment. Ce palan à chaîne a été spécialement étudié pour le levage de charges lourdes en toute sécurité. Fourniture et pose de fer sur demande ainsi que l’installation de radiocommande.

Collectivités & Services Techniques
Déménagement
Eau & Assainissement
Éclairage & Alimentation Temporaire
Energies renouvelables (Éolien, Solaire, Hydraulique)
Entretien des espaces verts
Ferroviaire & Travaux sur voies
Festivals, Expositions, Sport
Gaz, Pétrole & Hydrocarbures
Gros œuvre & Second œuvre
Installation thermique, sanitaire
Levage & Manutention
Levage & Tirage
Maintenance industrielle
Montage de Structures Scéniques
Nucléaire & Installations sensibles (centrales, sites traitement déchets)
Ouvrages d’art (ponts, tunnels, barrages)
Réhabilitation & Renforcement de structures
Réseaux électriques (Haute et basse tension, souterrains & aériens)
Revêtement
Terrassement & Génie civil
Traitement des Déchets & Recyclage
Travail en hauteur
Voirie et Réseaux Divers (VRD)

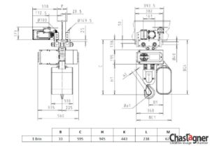
Caractéristiques techniques

Charge utile :
2 500 kg
Alimentation :
400 V tri/50 Hz
Vitesse de levage :
1,3 ou 8 m/min
Hauteur de levage :
25 m
Poids :
236 kg
Hauteur perdue :
595 mm

Demander un devis

Adresse du chantier

Observations

  • Tous nos palans sont équipés de commande très basse tension, assurant la protection de l’utilisateur contre les risques électriques
  • Le poids d'un mètre de chaîne est de 2,8 kg
  • Moteur de levage avec protection thermique, classe F, puissance 3,6 kW
  • Câble électrique d’1 m équipé d’une prise mâle triphasée à 3 Pôles + Terre (32A)
  • Toiture pluie et étanchéité renforcée pour utilisation extérieure
  • Fourni avec une télécommande basse tension avec arrêt d’urgence à clé. La longueur de la télécommande est inférieure de 0,5 mètre à la hauteur de levage du palan
  • Vérifier avant toute utilisation que le mouvement du crochet correspond au sens des boutons de la télécommande (Noir = descente – Blanc = montée)
  • Chaîne électrozinguée. Bac à chaîne
  • Limiteur de charge mécanique (limithermes)
  • Fins de course haut et bas
  • La vitesse de déplacement du chariot de translation électrique est variable de 5 à 20 m / par minute (démarrage + arrêt progressif)
  • Facteur de marche de 50 % (temps de fonctionnement par heure). Le groupe de fonctionnement est FEM 3 m

Schémas

Matériels associés